注:图像仅供参考,请参阅产品规格
技术文档

价格梯度
内地含税价
1
¥1647.675724
10
¥1554.411064
100
¥1466.425531
500
¥1383.420314
1000
¥1305.113502
312-6E详情
Ohmite 312-6E重要参数规格及、参数值,及相似型号如下:
- 参数名参数值全选
- 参数名参数值全选
工厂交货时间
12 Weeks
触点镀层
Silver
底架
Panel
安装类型
面板安装
Contact Materials
银合金
系列
312
已出版
2007
无铅代码
yes
零件状态
活跃
湿度敏感性等级(MSL)
不适用
终端
Solder
ECCN 代码
EAR99
定位的数量
6
电压 - 额定直流
20V
额定电流
30A AC/DC
方向
Straight
额定电流
30A
终端样式
焊片
电压 - 额定交流
300V
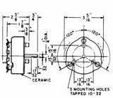
本体长度/直径
84mm
执行器类型
Flatted (6.35mm Dia)
触点样式
Non-Shorting
最大额定电压(交流)
300V
最大额定电压(直流)
20V
开关类型
旋转开关
触点额定电流
30A
甲板数量
1
操作力
35 ~ 81gfm
触点(AC)最大额定值R 负载
30A@300VAC
触点定时
Non-Shorting (BBM)
触点(DC)最大额定值 R 负载
30A@20VDC
索引停止
固定式
每层电路
SP6T
面板后深度
57.20mm
索引角度
150 °
开关段数
1
投掷角度
30°
开关动作
LATCHED
本体高度
57.2mm
执行器长度
28.58mm
达到SVHC
Unknown
RoHS状态
ROHS3 Compliant
312-6E拓展信息





















哦! 它是空的。